销售电话:010-6263-8088
客服电话:010-6263-9666

您现在的位置: 首页 > PDF > TS-6 共找到 92条符合 TS-6 的信息
厂商:
EH3600ETTS-66.666M  OSCILLATORS 100PPM -40+85 3.3V 4 66.666MHZ TS HCMOS 5.0X3.2MM 4PAD SMD
厂商: Ecliptek Corporation查看供应商
EP2645TS-66.660M  OSCILLATORS 50PPM 0+70 3.3V 4 66.660MHZ TS HCMOS 5X7MM 4PAD SMD
厂商: Ecliptek Corporation查看供应商
EP2645TS-61.440M  OSCILLATORS 50PPM -20+70 3.3V 4 61.440MHZ TS HCMOS 5X7MM 4PAD SMD
厂商: Ecliptek Corporation查看供应商
EP2645TS-66.000M  OSCILLATORS 50PPM 0+70 3.3V 4 66.000MHZ TS HCMOS 5X7MM 4PAD SMD
厂商: Ecliptek Corporation查看供应商
EP2600TTS-6.000M  OSCILLATORS 100PPM -20+70 3.3V 4 6.000MHZ TS HCMOS 5X7MM 4PAD SMD
厂商: Ecliptek Corporation查看供应商
EP2600ETTS-64.000M  OSCILLATORS 100PPM -40+85 3.3V 4 64.000MHZ TS HCMOS 5X7MM 4PAD SMD
厂商: Ecliptek Corporation查看供应商
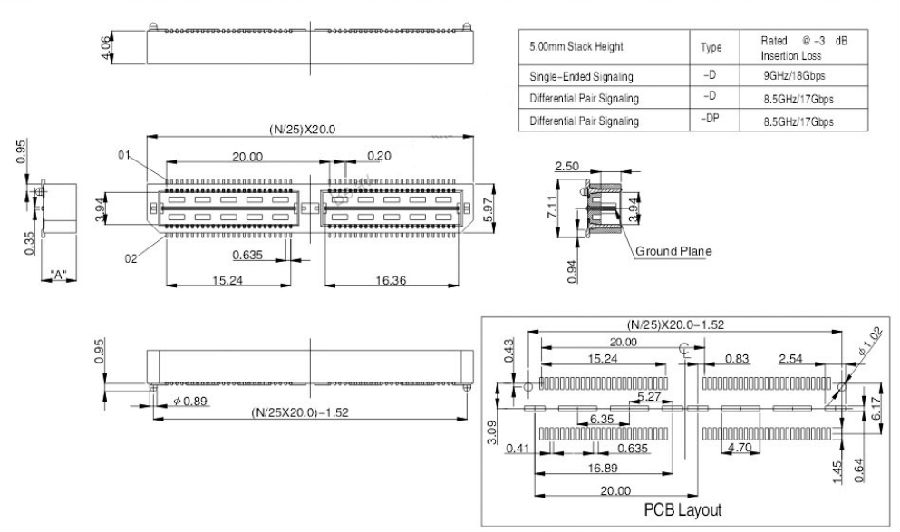
KTS-635-M-150  

High Speed Double row Female Headers 0.635mm Pitch SMT A Type

Technical Data:

Insulator Material: High Temperature

                             Thermoplastic,LCP,UL 94V-0

Contact: stamped and formed,Phosphor Bronze

Plating: Au or Sn over Nickel

Current Rating: 1.1A @ 30℃ Temperature Rise

Ground Plane Rating: 7.8A @ 30℃ Temperature Rise

Contact resistance: 20 milliohms Max.

Insulator resistance: 500 Megohms min.

Dielectric withstanding: AC 500V for 1 Minute.

Operating Temperature: -55℃ to +125℃

Max. processing Temp: 230℃ for 30-60 seconds.

                                     260℃ for 10 seconds.

厂商: 查看供应商
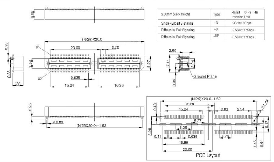
KTS-635-M-100  

High Speed Double row Male Headers 0.635mm Pitch SMT A Type

Technical Data:

Insulator Material: High Temperature

                             Thermoplastic,LCP,UL 94V-0

Contact: stamped and formed,Phosphor Bronze

Plating: Au or Sn over Nickel

Current Rating: 1.1A @ 30℃ Temperature Rise

Ground Plane Rating: 7.8A @ 30℃ Temperature Rise

Contact resistance: 20 milliohms Max.

Insulator resistance: 500 Megohms min.

Dielectric withstanding: AC 500V for 1 Minute.

Operating Temperature: -55℃ to +125℃

Max. processing Temp: 230℃ for 30-60 seconds.

                                     260℃ for 10 seconds

厂商: 查看供应商
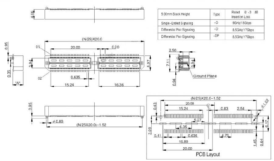
KTS-635-M-50  

High Speed Double row Male Headers 0.635mm Pitch SMT A Type

Technical Data:

Insulator Material: High Temperature

                             Thermoplastic,LCP,UL 94V-0

Contact: stamped and formed,Phosphor Bronze

Plating: Au or Sn over Nickel

Current Rating: 1.1A @ 30℃ Temperature Rise

Ground Plane Rating: 7.8A @ 30℃ Temperature Rise

Contact resistance: 20 milliohms Max.

Insulator resistance: 500 Megohms min.

Dielectric withstanding: AC 500V for 1 Minute.

Operating Temperature: -55℃ to +125℃

Max. processing Temp: 230℃ for 30-60 seconds.

                                     260℃ for 10 seconds.

厂商: 查看供应商
KTS-635-F-150  

High Speed Double row Female Headers 0.635mm Pitch SMT A Type

Technical Data:

Insulator Material: High Temperature

                             Thermoplastic,LCP,UL 94V-0

Contact: stamped and formed,Phosphor Bronze

Plating: Au or Sn over Nickel

Current Rating: 1.1A @ 30℃ Temperature Rise

Ground Plane Rating: 7.8A @ 30℃ Temperature Rise

Contact resistance: 20 milliohms Max.

Insulator resistance: 500 Megohms min.

Dielectric withstanding: AC 500V for 1 Minute.

Operating Temperature: -55℃ to +125℃

Max. processing Temp: 230℃ for 30-60 seconds.

                                     260℃ for 10 seconds.

厂商: 查看供应商

第9页 共92条   上一页 6 7 8 9 10 下一页   到第

我们致力于打造最大、最全的技术资料中心
PDF阅读器软件下载
交易流程